Цвет по
умолчанию:
Серый
умолчанию:
Серый
Премиальный сегмент. Отлично подходит для высоких опор. Преображает улицы
Ударопрочное защитное стекло: светостабилизированный полиметилметакрилат, сохраняет коэффициент пропускания с течением времени
Корпус: термостойкая ударопрочная пластмасса
Отражатель: алюминиевый анодированный, с высоким коэффициентом отражения
Цветовая температура, цветопередача и световой поток определяются лампой. Лампа в комплект поставки не входит.
Электрические
Номинальная мощность
150 Вт
Напряжение сети
230 ± 10% В
Частота питания
50±10% Гц
Коэффициент мощности, не менее
0,85
Класс защиты от поражения электрическим током
1
Светотехнические
Световой поток
12500 лм
Коэффициент полезного действия
85 %
Тип КСС
широкая боковая
Параметры источника света
Срок службы при температуре 25° С
20000 ч
Эксплуатационные
Тип источника света
ДРИ
Количество основных источников света
1
Патрон
Е27
Способ установки светильника
Консольный
Климатическое исполнение
УХЛ1
Степень защиты светильника
IP54
Степень защиты оптического отсека
IP54
Тип ПРА
E (электромагнитный источник)
Тип рассеивателя
прозрачный
Масса
14,1 кг
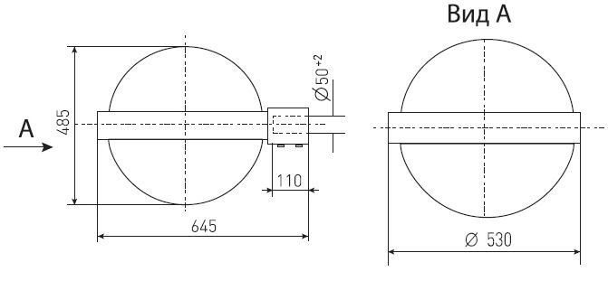
Габариты ДхШхВ
645x530x485 мм
Срок службы светильника
10 лет
Гарантийный срок
18 мес
Упаковка светильника:
IES
26.44 KB .IES
ГКУ24-150-001Б : ШБ (с/стеклом)
Сертификат ТР ТС
657.77 KB .PDF
Сертификат тамож. союза ЖКУ/РКУ/ГКУ24 ТР ТС 04/2011, ТР ТС 020/2011
Сертификат ЕАЭС
371.66 KB .PDF
Декларация соответствия ТР ЕАЭС 037/2016












