8 (800) 250-65-93
+7 (495) 788-65-93
0
Перейти к сравнению
Перейти в избранное
Перейти в корзину
1И700ДРИ48-010УХЛ1 220В с ИЗУ
Код 01559
Добавить к сравнению Перейти к сравнению Добавить в избранное Перейти в избранное Листовка в PDF
Особенности
Дроссель в боксе залит полиуретановым компаундом
Вакуумная пропитка полиэфирной смолой
Наличие модификаций с компенсирующим конденсатором
Электрические
Номинальная мощность
700 Вт
Напряжение сети
230 В
Коэффициент мощности, не менее
0,56
Потери мощности
40 Вт
Ток сети
6 А
Величина импульса ИЗУ
4,0-5,0 кВ
Эксплуатационные
Тип источника света
ДРИ
Количество основных источников света
1
Климатическое исполнение
УХЛ0
Масса
9,4 кг
Габариты ДхШхВ
132x134x300 мм
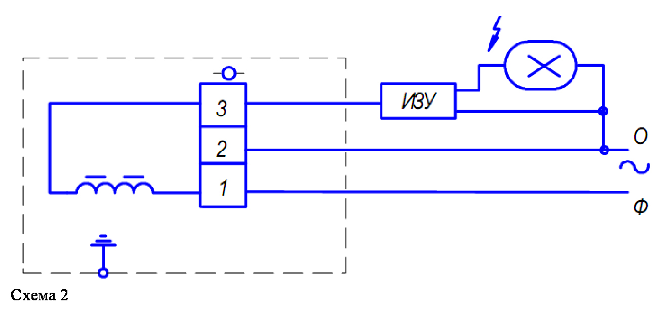
Наличие ИЗУ
Да
Рабочий ток
6 А
Максимальная нормируемая температура обмотки в рабочем режиме t wr
120 °С
Перегрев обмотки - дельта t
70 °С