8 (800) 250-65-93
+7 (495) 788-65-93
0
Перейти к сравнению
Перейти в избранное
Перейти в корзину
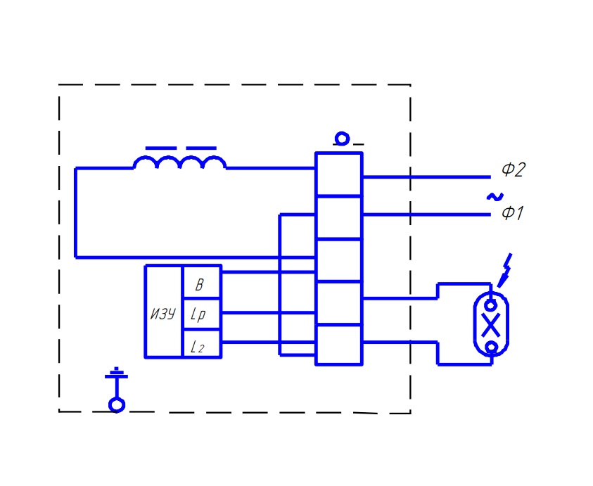
1И1000ДРИ81-001УХЛ1 380В с ИЗУ
Код 01744
Добавить к сравнению Перейти к сравнению Добавить в избранное Перейти в избранное Листовка в PDF
Особенности
Дроссель в боксе залит полиуретановым компаундом
Вакуумная пропитка полиэфирной смолой
Наличие модификаций с компенсирующим конденсатором
Электрические
Номинальная мощность
1000 Вт
Напряжение сети
380 В
Коэффициент мощности, не менее
0,58
Потери мощности
48 Вт
Ток сети
4,7 А
Величина импульса ИЗУ
4,0-5,0 кВ
Эксплуатационные
Тип источника света
ДРИ
Количество основных источников света
1
Климатическое исполнение
УХЛ0
Масса
10,4 кг
Габариты ДхШхВ
132x134x335 мм
Наличие ИЗУ
Да
Рабочий ток
4,7 А
Максимальная нормируемая температура обмотки в рабочем режиме t wr
120 °С
Перегрев обмотки - дельта t
75 °С