8 (800) 250-65-93
+7 (495) 788-65-93
0
Перейти к сравнению
Перейти в избранное
Перейти в корзину
1К1000ДРЛ44-001УХЛ1 220В
Код 01901
Добавить к сравнению Перейти к сравнению Добавить в избранное Перейти в избранное Листовка в PDF
Особенности
Дроссель в боксе залит полиуретановым компаундом
Вакуумная пропитка полиэфирной смолой
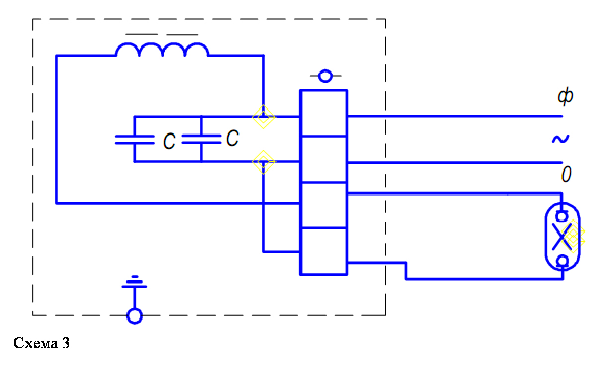
Наличие модификаций с компенсирующим конденсатором
Электрические
Номинальная мощность
1000 Вт
Напряжение сети
230 В
Коэффициент мощности, не менее
0,85
Потери мощности
60 Вт
Ток сети
5,6 А
Эксплуатационные
Тип источника света
ДРЛ
Количество основных источников света
1
Климатическое исполнение
УХЛ1
Масса
10,8 кг
Габариты ДхШхВ
132x134x255 мм
Рабочий ток
7,5 А
Максимальная нормируемая температура обмотки в рабочем режиме t wr
120 °С
Перегрев обмотки - дельта t
80 °С
Ёмкость компенсирующего конденсатора
50 мкФ