8 (800) 250-65-93
+7 (495) 788-65-93
0
Перейти к сравнению
Перейти в избранное
Перейти в корзину
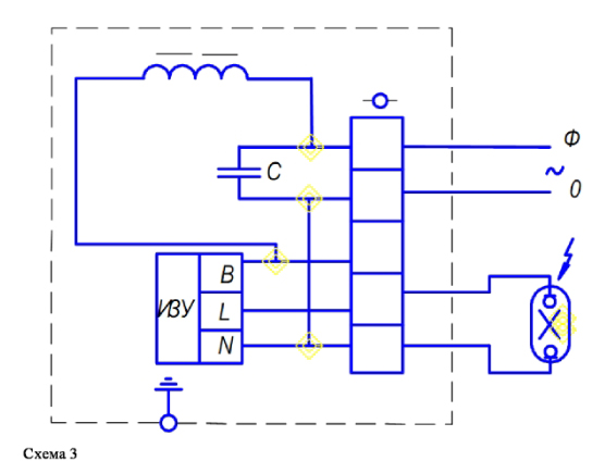
1К70ДНаТ46-012УХЛ1 220В с ИЗУ
Код 01898
Добавить к сравнению Перейти к сравнению Добавить в избранное Перейти в избранное Листовка в PDF
Особенности
Дроссель в боксе залит полиуретановым компаундом
Вакуумная пропитка полиэфирной смолой
Наличие модификаций с компенсирующим конденсатором
Электрические
Номинальная мощность
70 Вт
Напряжение сети
230 В
Коэффициент мощности, не менее
0,85
Потери мощности
15 Вт
Ток сети
0,5 А
Величина импульса ИЗУ
1,8-2,3 кВ
Эксплуатационные
Тип источника света
ДНаТ
Количество основных источников света
1
Климатическое исполнение
УХЛ1
Масса
2,5 кг
Габариты ДхШхВ
105x102x205 мм
Наличие ИЗУ
Да
Рабочий ток
1 А
Максимальная нормируемая температура обмотки в рабочем режиме t wr
120 °С
Перегрев обмотки - дельта t
65 °С
Ёмкость компенсирующего конденсатора
10 мкФ