8 (800) 250-65-93
+7 (495) 788-65-93
0
Перейти к сравнению
Перейти в избранное
Перейти в корзину
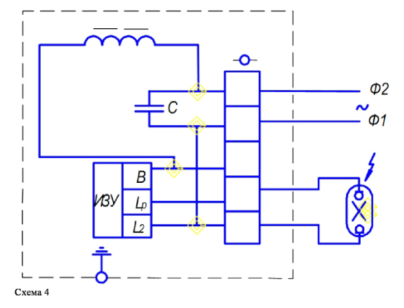
1К400ДНаТ46-001УХЛ1 220В без ИЗУ
Код 01897
Добавить к сравнению Перейти к сравнению Добавить в избранное Перейти в избранное Листовка в PDF
Особенности
Дроссель в боксе залит полиуретановым компаундом
Вакуумная пропитка полиэфирной смолой
Наличие модификаций с компенсирующим конденсатором
Электрические
Номинальная мощность
400 Вт
Напряжение сети
230 В
Коэффициент мощности, не менее
0,85
Класс защиты от поражения электрическим током
1
Потери мощности
38 Вт
Ток сети
2,3 А
Эксплуатационные
Тип источника света
ДНаТ
Количество основных источников света
1
Климатическое исполнение
УХЛ1
Масса
6,9 кг
Габариты ДхШхВ
132x134x235 мм
Наличие ИЗУ
Нет
Рабочий ток
4,6 А
Максимальная нормируемая температура обмотки в рабочем режиме t wr
120 °С
Перегрев обмотки - дельта t
70 °С
Ёмкость компенсирующего конденсатора
50 мкФ