8 (800) 250-65-93
+7 (495) 788-65-93
0
Перейти к сравнению
Перейти в избранное
Перейти в корзину
1К150ДНаТ46-010УХЛ1 220В с ИЗУ
Код 01542
Добавить к сравнению Перейти к сравнению Добавить в избранное Перейти в избранное Листовка в PDF
Особенности
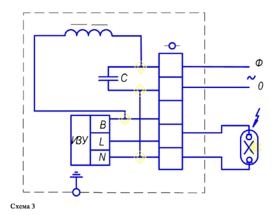
Дроссель в боксе залит полиуретановым компаундом
Вакуумная пропитка полиэфирной смолой
Наличие модификаций с компенсирующим конденсатором
Электрические
Номинальная мощность
150 Вт
Напряжение сети
230 В
Коэффициент мощности, не менее
0,85
Потери мощности
19,5 Вт
Ток сети
0,9 А
Величина импульса ИЗУ
4,0-5,0 кВ
Эксплуатационные
Тип источника света
ДНаТ
Количество основных источников света
1
Климатическое исполнение
УХЛ1
Масса
3,8 кг
Габариты ДхШхВ
105x102x235 мм
Наличие ИЗУ
Да
Рабочий ток
1,8 А
Максимальная нормируемая температура обмотки в рабочем режиме t wr
120 °С
Перегрев обмотки - дельта t
65 °С
Ёмкость компенсирующего конденсатора
20 мкФ