8 (800) 250-65-93
+7 (495) 788-65-93
0
Перейти к сравнению
Перейти в избранное
Перейти в корзину
1И400ДНаТ46-012УХЛ1 220В с ИЗУ
Код 03048
Добавить к сравнению Перейти к сравнению Добавить в избранное Перейти в избранное Листовка в PDF
Особенности
Дроссель в боксе залит полиуретановым компаундом
Вакуумная пропитка полиэфирной смолой
Наличие модификаций с компенсирующим конденсатором
Электрические
Номинальная мощность
400 Вт
Напряжение сети
230 В
Коэффициент мощности, не менее
0,43
Класс защиты от поражения электрическим током
1
Потери мощности
35 Вт
Ток сети
4,4 А
Величина импульса ИЗУ
4,0-5,0 кВ
Эксплуатационные
Тип источника света
ДНаТ
Количество основных источников света
1
Климатическое исполнение
УХЛ1
Масса
6,3 кг
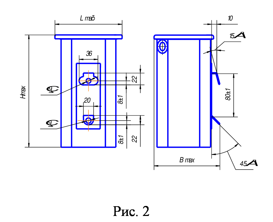
Габариты ДхШхВ
132x134x225 мм
Наличие ИЗУ
Да
Рабочий ток
4,4 А
Максимальная нормируемая температура обмотки в рабочем режиме t wr
120 °С
Перегрев обмотки - дельта t
70 °С

Упаковка светильника:

package