8 (800) 250-65-93
+7 (495) 788-65-93
0
Перейти к сравнению
Перейти в избранное
Перейти в корзину
1И250ДНаТ46-003УХЛ1 220В с ИЗУ
Код 02306
Добавить к сравнению Перейти к сравнению Добавить в избранное Перейти в избранное Листовка в PDF
Особенности
Дроссель в боксе залит полиуретановым компаундом
Вакуумная пропитка полиэфирной смолой
Наличие модификаций с компенсирующим конденсатором
Электрические
Номинальная мощность
250 Вт
Напряжение сети
230 В
Коэффициент мощности, не менее
0,42
Класс защиты от поражения электрическим током
1
Потери мощности
33 Вт
Ток сети
3 А
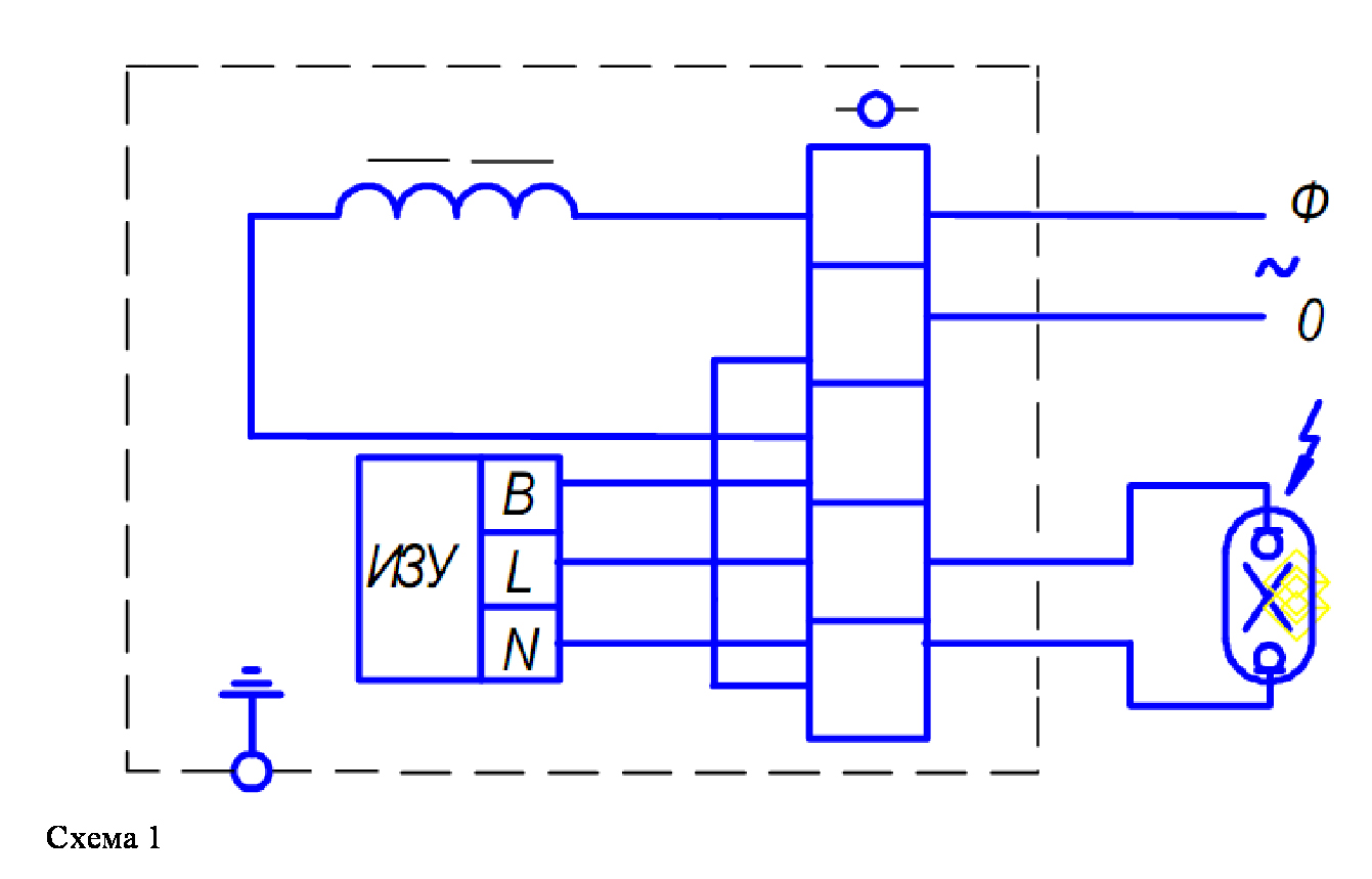
Величина импульса ИЗУ
4,0-5,0 кВ
Эксплуатационные
Тип источника света
ДНаТ
Количество основных источников света
1
Климатическое исполнение
УХЛ1
Масса
4,4 кг
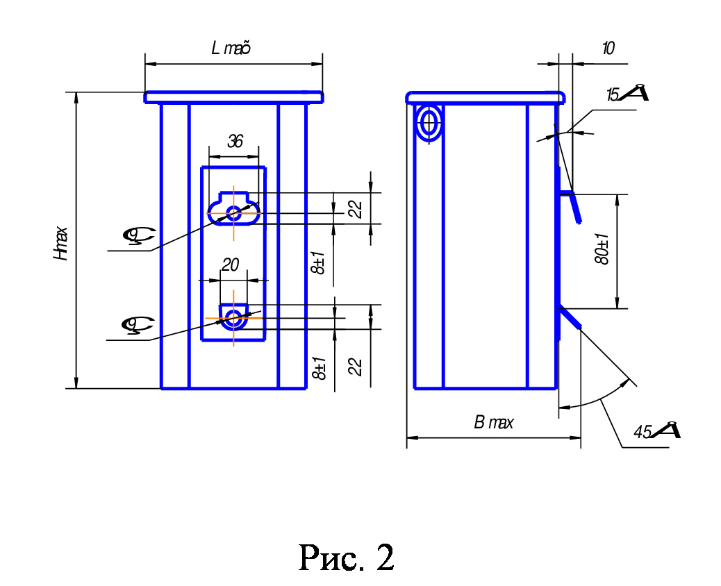
Габариты ДхШхВ
105x102x265 мм
Наличие ИЗУ
Да
Рабочий ток
3 А
Максимальная нормируемая температура обмотки в рабочем режиме t wr
120 °С
Перегрев обмотки - дельта t
75 °С