8 (800) 250-65-93
+7 (495) 788-65-93
0
Перейти к сравнению
Перейти в избранное
Перейти в корзину
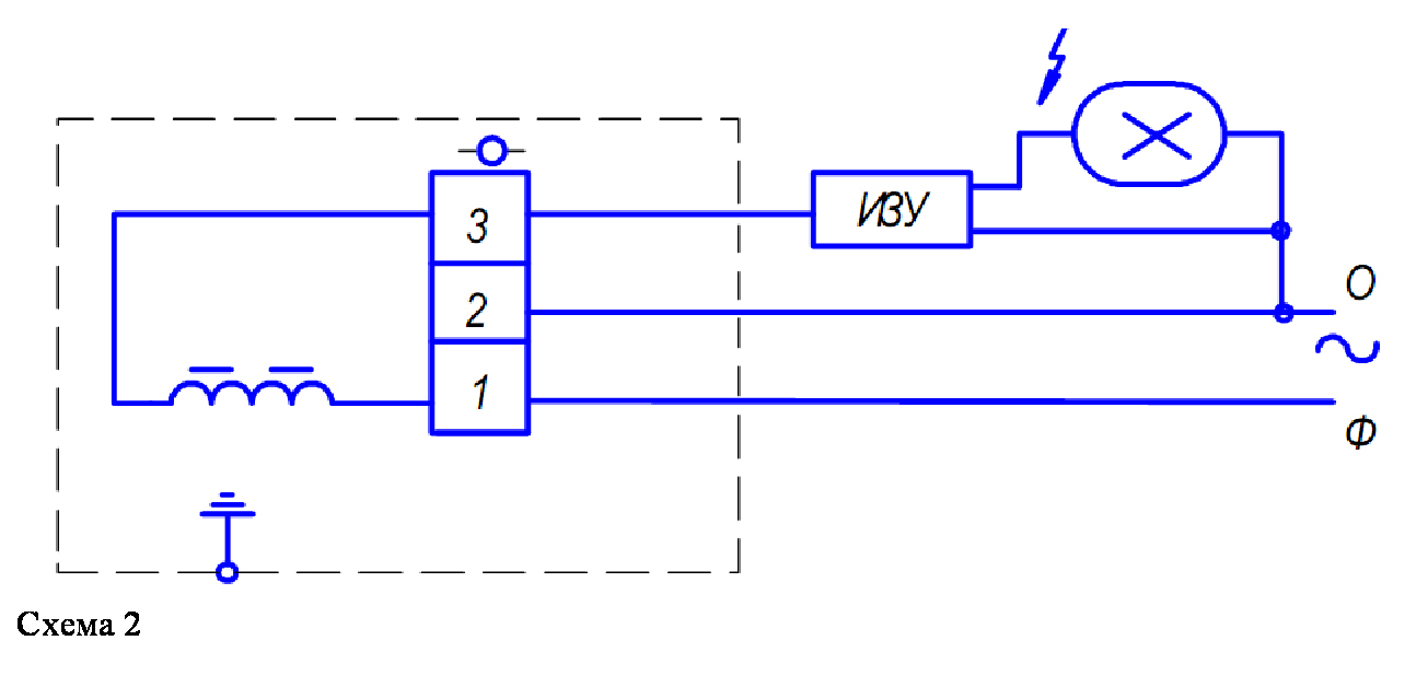
1И100ДНаТ46-008УХЛ1 220В без ИЗУ
Код 01637
Добавить к сравнению Перейти к сравнению Добавить в избранное Перейти в избранное Листовка в PDF
Особенности
Дроссель в боксе залит полиуретановым компаундом
Вакуумная пропитка полиэфирной смолой
Наличие модификаций с компенсирующим конденсатором
Электрические
Номинальная мощность
100 Вт
Напряжение сети
230 В
Коэффициент мощности, не менее
0,43
Потери мощности
16 Вт
Ток сети
1,2 А
Эксплуатационные
Тип источника света
ДНаТ
Количество основных источников света
1
Климатическое исполнение
УХЛ1
Масса
2,2 кг
Габариты ДхШхВ
105x102x125 мм
Наличие ИЗУ
Нет
Рабочий ток
1,2 А
Максимальная нормируемая температура обмотки в рабочем режиме t wr
120 °С
Перегрев обмотки - дельта t
65 °С