8 (800) 250-65-93
+7 (495) 788-65-93
0
Перейти к сравнению
Перейти в избранное
Перейти в корзину
1К700ДРИ81-001УХЛ1 380В с ИЗУ
Код 01866
Добавить к сравнению Перейти к сравнению Добавить в избранное Перейти в избранное Листовка в PDF
Особенности
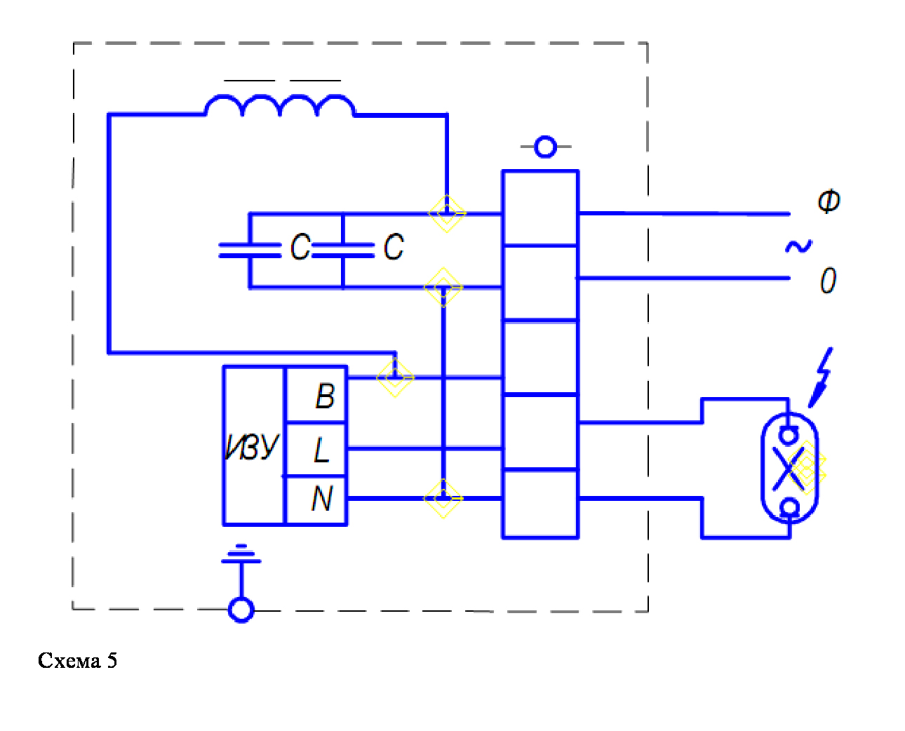
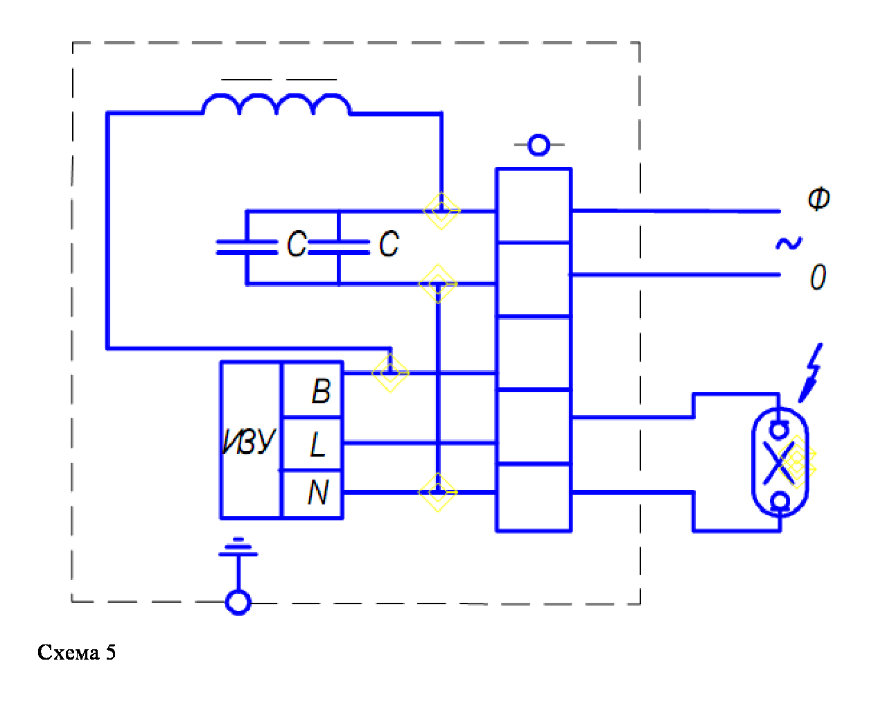
Дроссель в боксе залит полиуретановым компаундом
Вакуумная пропитка полиэфирной смолой
Наличие модификаций с компенсирующим конденсатором
Электрические
Номинальная мощность
700 Вт
Напряжение сети
380 В
Коэффициент мощности, не менее
0,85
Потери мощности
78 Вт
Ток сети
2,4 А
Величина импульса ИЗУ
4,0-5,0 кВ
Эксплуатационные
Тип источника света
ДРИ
Количество основных источников света
1
Климатическое исполнение
УХЛ0
Масса
17,8 кг
Габариты ДхШхВ
255x135x260 мм
Наличие ИЗУ
Да
Рабочий ток
7,8 А
Максимальная нормируемая температура обмотки в рабочем режиме t wr
120 °С
Перегрев обмотки - дельта t
75 °С
Ёмкость компенсирующего конденсатора
45 мкФ