8 (800) 250-65-93
+7 (495) 788-65-93
0
Перейти к сравнению
Перейти в избранное
Перейти в корзину
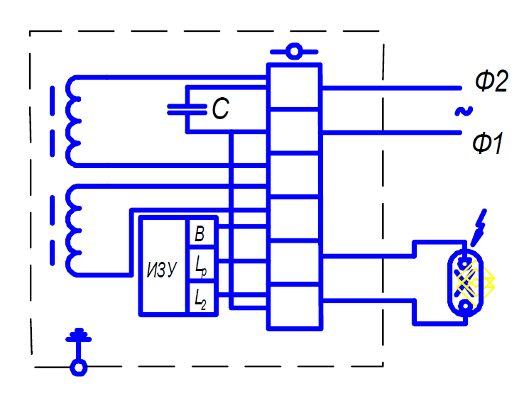
1К2000ДРИ81-001УХЛ1 380В-9,2 А с ИЗУ
Код 01867
Добавить к сравнению Перейти к сравнению Добавить в избранное Перейти в избранное Листовка в PDF
Особенности
Дроссель в боксе залит полиуретановым компаундом
Вакуумная пропитка полиэфирной смолой
Наличие модификаций с компенсирующим конденсатором
Электрические
Номинальная мощность
2000 Вт
Напряжение сети
380 В
Коэффициент мощности, не менее
0,85
Потери мощности
100 Вт
Ток сети
5,8 А
Величина импульса ИЗУ
4,0-5,0 кВ
Эксплуатационные
Тип источника света
ДРИ
Количество основных источников света
1
Климатическое исполнение
УХЛ0
Масса
22,7 кг
Габариты ДхШхВ
255x135x365 мм
Наличие ИЗУ
Да
Рабочий ток
9,2 А
Максимальная нормируемая температура обмотки в рабочем режиме t wr
120 °С
Перегрев обмотки - дельта t
80 °С
Ёмкость компенсирующего конденсатора
45 мкФ