8 (800) 250-65-93
+7 (495) 788-65-93
0
Перейти к сравнению
Перейти в избранное
Перейти в корзину
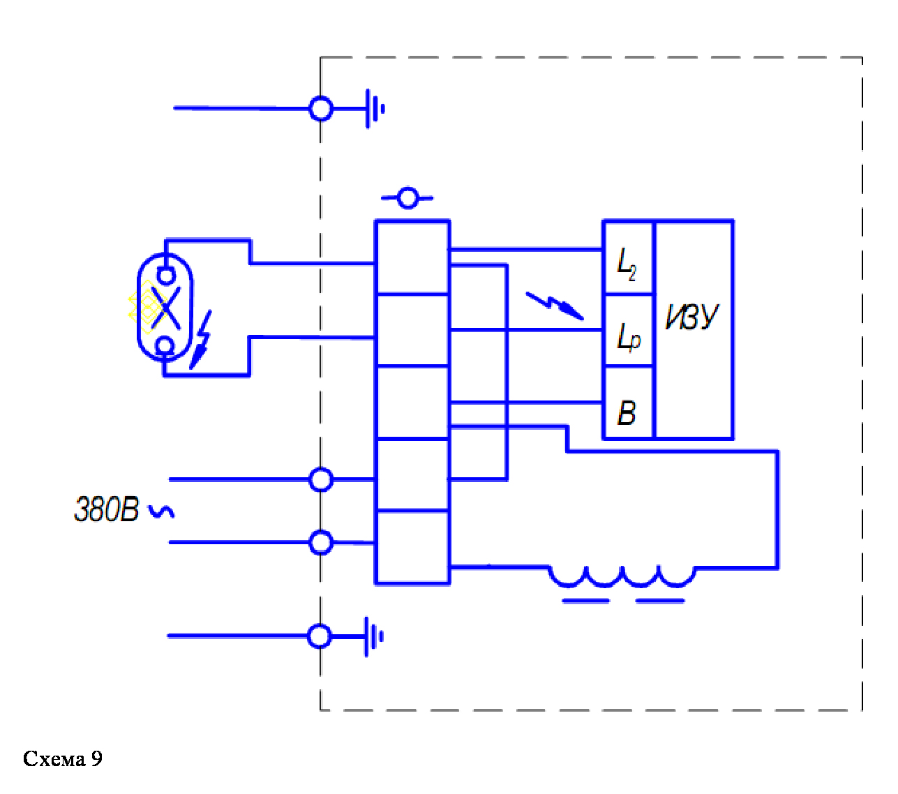
1И2000ДРИ81-003УХЛ1 380В-10,3 А с ИЗУ
Код 03563
Добавить к сравнению Перейти к сравнению Добавить в избранное Перейти в избранное Листовка в PDF
Особенности
Дроссель в боксе залит полиуретановым компаундом
Вакуумная пропитка полиэфирной смолой
Наличие модификаций с компенсирующим конденсатором
Электрические
Номинальная мощность
2000 Вт
Напряжение сети
380 В
Коэффициент мощности, не менее
0,58
Потери мощности
120 Вт
Ток сети
10,3 А
Величина импульса ИЗУ
4,0-5,0 кВ
Эксплуатационные
Тип источника света
ДРИ
Количество основных источников света
1
Климатическое исполнение
УХЛ1
Масса
22,7 кг
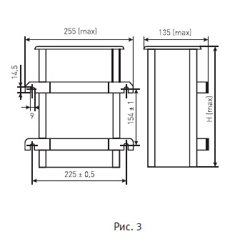
Габариты ДхШхВ
255x135x365 мм
Наличие ИЗУ
Да
Рабочий ток
10,3 А
Максимальная нормируемая температура обмотки в рабочем режиме t wr
130 °С
Перегрев обмотки - дельта t
90 °С

Упаковка светильника:

package