8 (800) 250-65-93
+7 (495) 788-65-93
0
Перейти к сравнению
Перейти в избранное
Перейти в корзину
1И400ДРЛ44Н-001УХЛ2 220В
Код 02304
Добавить к сравнению Перейти к сравнению Добавить в избранное Перейти в избранное Листовка в PDF
Особенности
Вакуумная пропитка полиэфирной смолой
Стабильная работа при низких температурах до -60°С
Надёжный и долговечный
Электрические
Номинальная мощность
400 Вт
Напряжение сети
230 В
Коэффициент мощности, не менее
0,58
Класс защиты от поражения электрическим током
1
Потери мощности
26 Вт
Ток сети
2,4 А
Эксплуатационные
Тип источника света
ДРЛ
Количество основных источников света
1
Климатическое исполнение
УХЛ2
Масса
3,6 кг
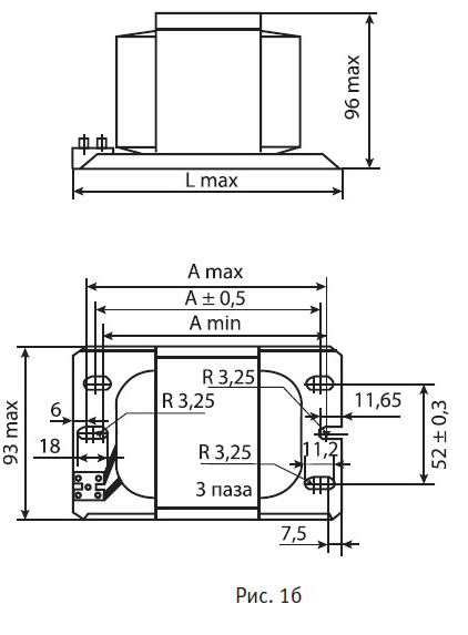
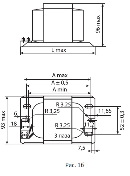
Габариты ДхШхВ
140x93x96 мм
Рабочий ток
3,25 А
Максимальная нормируемая температура обмотки в рабочем режиме t wr
130 °С
Перегрев обмотки - дельта t
75 °С
Установочные размеры - А±0
120 мм5
Установочные размеры - Аmin
117,5 мм
Установочные размеры - Аmax
125,5 мм
Ёмкость компенсирующего конденсатора
25 мкФ