8 (800) 250-65-93
+7 (495) 788-65-93
0
Перейти к сравнению
Перейти в избранное
Перейти в корзину
1И750ДНаТ46Н-004УХЛ2 220В
Код 03355
Добавить к сравнению Перейти к сравнению Добавить в избранное Перейти в избранное Листовка в PDF
Особенности
Вакуумная пропитка полиэфирной смолой
Стабильная работа при низких температурах до -60°С
Надёжный и долговечный
Электрические
Номинальная мощность
750 Вт
Напряжение сети
230 В
Коэффициент мощности, не менее
0,49
Потери мощности
52 Вт
Ток сети
4,3 А
Эксплуатационные
Тип источника света
ДНаТ
Количество основных источников света
1
Климатическое исполнение
УХЛ2
Масса
8,5 кг
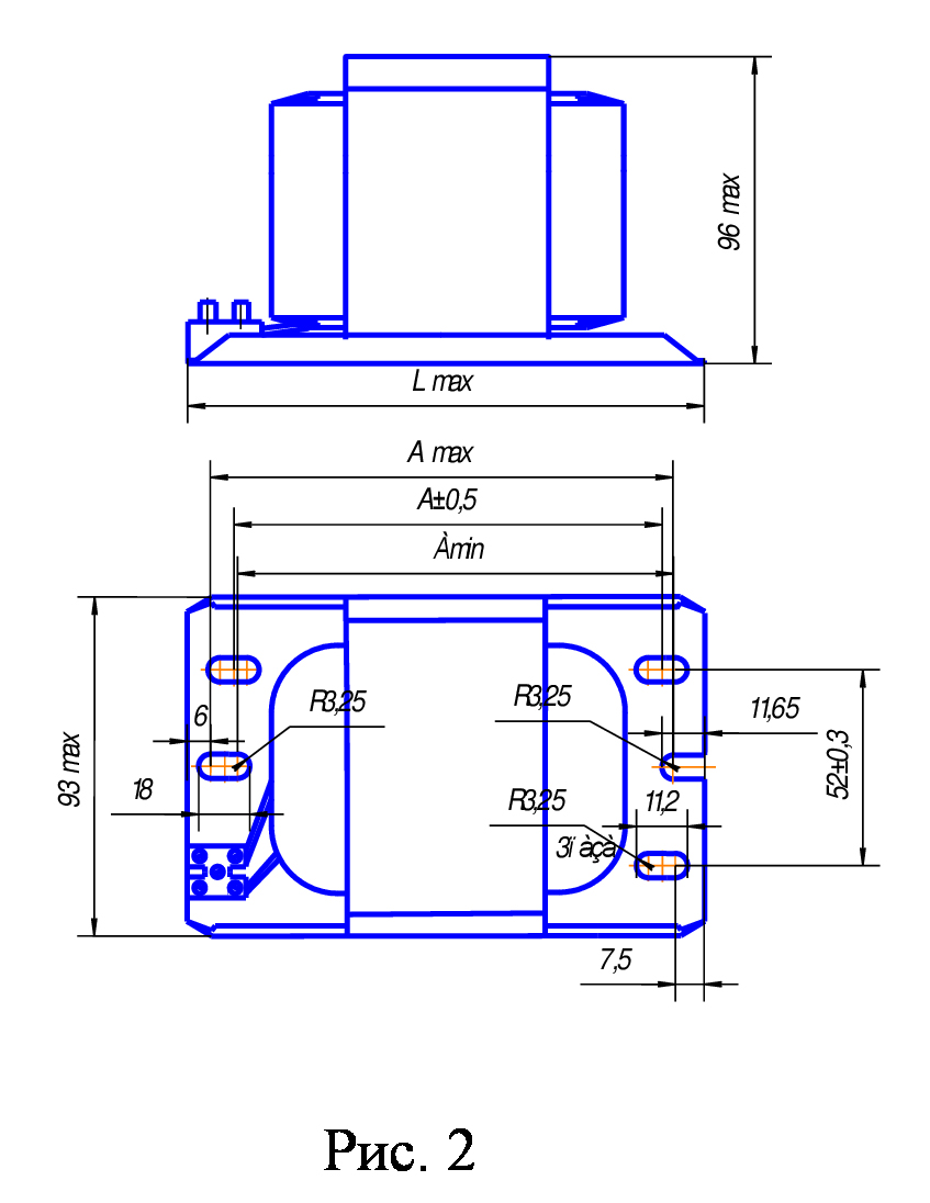
Габариты ДхШхВ
220x93x96 мм
Рабочий ток
7,4 А
Максимальная нормируемая температура обмотки в рабочем режиме t wr
130 °С
Перегрев обмотки - дельта t
75 °С
Установочные размеры - А±0
200 мм5
Установочные размеры - Аmin
197,5 мм
Установочные размеры - Аmax
205,5 мм
Ёмкость компенсирующего конденсатора
70 мкФ

Упаковка светильника:

package