8 (800) 250-65-93
+7 (495) 788-65-93
0
Перейти к сравнению
Перейти в избранное
Перейти в корзину
1И2000ДРИ81Н-002УХЛ2 380В
Код 03003
Добавить к сравнению Перейти к сравнению Добавить в избранное Перейти в избранное Листовка в PDF
Особенности
Вакуумная пропитка полиэфирной смолой
Стабильная работа при низких температурах до -60°С
Надёжный и долговечный
Электрические
Номинальная мощность
2000 Вт
Напряжение сети
380 В
Коэффициент мощности, не менее
0,6
Потери мощности
100 Вт
Ток сети
5,8 А
Эксплуатационные
Тип источника света
ДРИ
Количество основных источников света
1
Климатическое исполнение
УХЛ2
Масса
18,6 кг
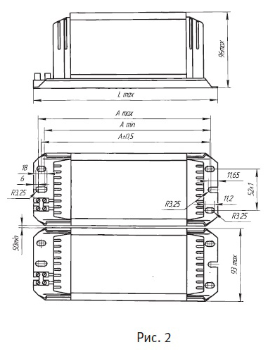
Габариты ДхШхВ
230x93x96 мм
Рабочий ток
9,2 А
Максимальная нормируемая температура обмотки в рабочем режиме t wr
130 °С
Перегрев обмотки - дельта t
75 °С
Установочные размеры - А±0
210 мм5
Установочные размеры - Аmin
207,5 мм
Установочные размеры - Аmax
215,5 мм
Ёмкость компенсирующего конденсатора
45 мкФ