8 (800) 250-65-93
+7 (495) 788-65-93
0
Перейти к сравнению
Перейти в избранное
Перейти в корзину
ГБУ02-100-002 (прозрачный)
Код 00242
Добавить к сравнению Перейти к сравнению Добавить в избранное Перейти в избранное Листовка в PDF
 
Цвет по умолчанию:
Серый
 
Цвет по
умолчанию:
Серый
Особенности
Антивандальный светильник для пешеходных переходов.
Ударопрочное защитное стекло: светостабилизированный поликарбонат с ребрами жесткости, сохраняет коэффициент пропускания с течением времени
Корпус: алюминиевый, устойчивый к агрессивной среде
Отражатель: алюминиевый анодированный, с высоким коэффициентом отражения
Цветовая температура, цветопередача и световой поток определяются лампой. Лампа в комплект поставки не входит.
Электрические
Номинальная мощность
100 Вт
Напряжение сети
230 ± 10% В
Частота питания
50±10% Гц
Коэффициент мощности, не менее
0,85
Класс защиты от поражения электрическим током
1
Светотехнические
Световой поток
8500 лм
Коэффициент полезного действия
75 %
Тип КСС
косинусная
Эксплуатационные
Тип источника света
ДРИ
Количество основных источников света
1
Патрон
Е27
Способ установки светильника
Настенный
Климатическое исполнение
УХЛ1
Степень защиты светильника
IP54
Степень защиты оптического отсека
IP54
Тип ПРА
E (электромагнитный источник)
Тип рассеивателя
призматический
Масса
5,3 кг
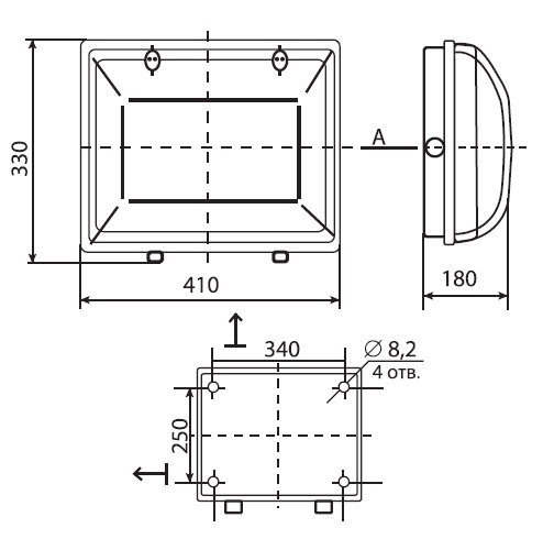
Габариты ДхШхВ
410x330x180 мм
Срок службы светильника
10 лет
Гарантийный срок
24 мес

Упаковка светильника:

package
IES 27.14 KB .IES

ГБУ02-100-002 (прозрачный)

Сертификат ТР ТС 666.41 KB .PDF

Сертификат тамож. союза ЖБУ/РБУ/ГБУ02